|
|
在线留言
|
企业位置
pa真人官方网
关于pa真人官方网
关于pa真人官方网
应用范围
电子式报警器
号角喇叭
金属蜂鸣器
压电式蜂鸣器
陶瓷蜂鸣片
压电式蜂鸣器
贴片式蜂鸣器
闪光报警器
超声波传感器
技术咨询
压电式蜂鸣器
公司招聘
联系pa真人官方网
企业位置
1
2
3
4
pa真人官方网
>>
>>
产品目录
>>
贴片式蜂鸣器
>>
压电式
>>
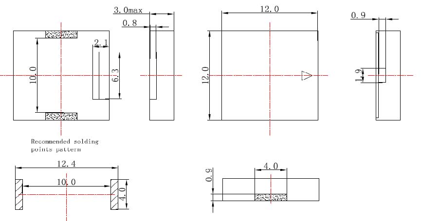
p-1212030-4000
产品目录
电子式报警器
号角喇叭
金属蜂鸣器
压电式蜂鸣器
陶瓷蜂鸣片
压电式报警器
贴片式蜂鸣器
压电式
电磁式
自激式
闪光报警器
扬声器
p-pa真人官方网
咨询热线
0755-27315549
收藏
产品说明
产品参数
额定电压
(v
p-p
)
3
工作电压
(v
p-p
)
1
〜
30
电流最大消耗(毫安)
3
声压级最小
(分贝)
在
10cm
75
谐振频率(hz)
4000±300
电容
15nf±30%1khz的
工作温度(
℃
)
-3
0
〜
85
存储温度(
℃
)
-4
0
〜
90
音
材料
lc
p
相关产品
hs-665009
hs-665024
hs-6645a-black
hs-6645a-red
hss-45-2061-24vv
hss-45-2061-12v
hss-45-2016-24v
hss-45-2016-12v
hss-45-1566-24v
hss-45-1566-12v
电话直呼
在线客服
在线留言
发送邮件
企业位置
联系pa真人官方网:
0755-27315548
0755-27315549
客服
还可输入字符
250
(限制字符250)
您的姓名:
您的邮箱:
您的电话:
pa真人官方网的技术支持: |
×
账号登录
登录
忘记密码
立即注册
更多登录方式
网站地图