hpe-pa真人官方网

收藏
  • 商品说明
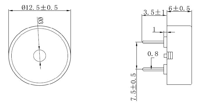
  • 商品参数
rated voltage(vp-p)
3
operating voltage(vp-p)
30
currentconsumption max (ma)
5
spl min. (db) at 10cm
80
resonant frequency(hz)
4000±300
capacitance
15nf±30% at 120hz
operating temperature()
-20 70
storage temperature(℃)
-30 85
tone

material
ppo

hpe-13ed40fp-7_5.jpg

img_20100204163651.jpg

电话直呼
在线客服
在线留言
发送邮件
企业位置
联系pa真人官方网:
0755-27315548
0755-27315549
客服
还可输入字符250(限制字符250)
pa真人官方网的技术支持: |
×
网站地图